Определение структур планетарных рядов

Информация о транспорте » Конструирование и расчет автомобиля » Определение структур планетарных рядов

Страница 2

Таблица 1

Отбраковка рядов по характеристике планетарного ряда

1,5<|K|<4,5…5

Отбраковка рядов по относительной частоте вращения сателлитов

|d| < 4…5

Построение кинематической схемы

Рисунок 7 Кинематическая схема четырёх ступенчатой автоматической коробки передач.

Анализ работоспособности

А

В

С

В

1

+

2

+

+

3

+

+

+

-1

+

+

Таблица 2

Кинематический анализ

ωа - (1- к)ωв = кωс - основное уравнение кинематики планетарного ряда.

Первая передача.

ω0 - (1- кD)ωx = кDω1, ω1=0,273

Вторая передача.

ω0 - (1- кВ)ω1 = кВω2, ω1=0,402

ω0 - (1- кD)ωX = кDω1, ωX=0,565

Третья передача.

ω3 - (1- кA)ω0 = кAω2, ω2=0,412

ω0 - (1- кВ)ω1 = кВω2, ω1=0,648

ω0 - (1- кD)ωX = кDω1, ωx=1,28

Передача заднего хода.

ω1 - (1- кС)ωX= кCω-1, ω1=2,69ωX

ω0 - (1- кD)ωX = кDω1, ωX=0,287

ω1=0,77203.

Силовой анализ кинематической схемы

Условия: ∑Mi=0, Ma + Mв + Mc = 0, M0 + MХ + MР = 0, Mс = -KMа , MX = -M0Ui.

Мощностной анализ

N = ωM.

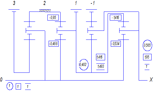
Рисунок 8 Кинематическая схема первой передачи.

Рисунок 9 Кинематическая схема второй передачи.

Рисунок 10 Кинематическая схема третьей передачи.

Рисунок 11 Кинематическая схема передачи заднего хода.

Страницы: 1 2 

Разделы

Copyright © 2026 - All Rights Reserved - www.transpovolume.ru