Проверка скоростной характеристики

Страница 6

Для калибровки исправный якорь устанавливают на токарный станок, затем ставят защитные щиты и экран, размещают контактные щетки дуги на коллекторных пластинах якоря, включают и настраивают осциллограф.

При замкнутых блокировках S2Q и S3Q, включенном положении выключателя S1 напряжение подается на импульсную установку. Поворотом рукоятки трансформатора Т1 плавно повышают напряжение установки до уровня, при котором на экране возникает изображение периодически повторяющегося затухающего колебательного процесса. Его следует заосциллографировать, в дальнейшем это изображение будет служить образцом при проведении испытаний якорей

Рис. 3.11. Осциллограммы колебательных процессов.

а - эталонное изображение; б - осциллограмма при межвитковом замыкании; в — осциллограмма при замыкании на корпус.

Чтобы получить образец осциллограммы в случае межвиткового замыкания (рис. 3.11., б), необходимо замкнуть между собой две любые смежные пластины из находящихся между контактными щетками дуги. При этом, чем ближе замкнутые пластины расположены к щетке, соединенной с проводом импульсной установки, тем более ярко будут выражены изменения осциллограммы: заметно уменьшаются амплитуда сигнала и длительность колебательного процесса.

Так же можно получить образец осциллограммы при замыкании на корпус одной из пластин (рис. 3.11., в).

При подготовке определяют оптимальные значения напряжения, при которых сигналы на экране осциллографа явно свидетельствуют о наличии дефекта. После проведения калибровки и получения образцов осциллограмм установку вводят в эксплуатацию.

Проверку якорей на отсутствие замыканий и обрывов проводят следующим образом. После закрепления якоря на токарном станке, установки защитных приспособлений и включения устройства замеряют напряжение и контролируют колебательный процесс на экране при вращении якоря.

Если в ходе проверки полученная осциллограмма свидетельствует о межвитковом замыкании, то определяют поврежденную секцию обмотки, учитывая следующие особенности.

При вращении якоря по часовой стрелке (см. рис. 3.9.) признак замыкания на осциллограмме исчез или почти не заметен - это означает, что замыкание произошло в секции, коллекторные пластины которой расположены левее контактной щетки с проводом.

При вращении якоря против часовой стрелки признак замыкания на осциллограмме усилился - это означает, что замыкание произошло в секции, коллекторные пластины которой приблизились к контактной щетке, соединенной с проводом.

Таким образом, вращая якорь в ту или иную сторону относительно дуги с контактными щетками, можно определить секцию обмотки якоря, имеющую межвитковое замыкание или замыкание на корпус.

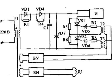
По методу индуктированного напряжения работает бесконтактное импульсное устройство (рис. 3.12.), созданное под руководством В.В. Шумейко. Устройство содержит генератор импульсного напряжения (ТИН), индуктор И, выполненный в виде витка размером, равным шагу по пазам у и индуктивный датчик Д1.

Рис. 3.12. Схема устройства для определения наличия межвитковых замыканий в обмотке якоря.

Основными элементами ГИН являются повышающий трансформатор Т1, диоды VD1 - VD4, конденсатор С1 и импульсные тиристоры VS1—VS2.

Устройство работает следующим образом. В положительный полупериод от питающей сети через диоды VD1 - VD4 заряжается конденсатор С1 до напряжения 1500 В. В отрицательный полупериод в блоке управления БУ формируются отпирающие импульсы, которые поступают на управляющие электроды тиристоров VS1 - VS2. После открытия тиристоров VS1 - VS2 конденсатор С1 разряжается через индуктор. Таким образом, генератор выдает импульсы с частотой 50 Гц, при этом межвитковое напряжение составляет 350 - 400 В.

Для выявления межвиткового замыкания в обмотке якорь устанавливают на специальную подставку над импульсным устройством ИУ (рис. 3.13.) с зазором 5 - 10 мм и поворачивают на пол-оборота. Если при этом сигнальная лампа, находящаяся в блоке индикации, не загорается, то в обмотке якоря нет межвиткового замыкания. При наличии межвиткового замыкания сигнал в датчике Д1 (см. рис. 3.12.) увеличивается в 3 - 5 раз, что приводит к загоранию сигнальной лампы.

В условиях депо, где обмотки якорей не ремонтируют, для выявления дефектных якорей достаточно определить только наличие межвиткового замыкания. На заводах в процессе ремонта и изготовления новых обмоток якорей требуется пооперационный контроль состояния изоляции обмотки. В таких условиях необходимо выявить межвитковое замыкание и определить его место. Для этой цели в блок индикации БИ введен стрелочный индикатор-микроамперметр. При загорании сигнальной лампы проворачивание якоря прекращают в момент максимального показания индикатора, место межвиткового замыкания фиксируют по указателю стрелки.

Страницы: 1 2 3 4 5 6 7

Разделы

Copyright © 2026 - All Rights Reserved - www.transpovolume.ru